Na sua empresa existem vários painéis e quadros de distribuição, mas ninguém sabe de onde vem, nem para onde vão os disjuntores e os respectivos circuitos?
O Corpo de bombeiros solicitou a sua empresa um laudo das instalações elétricas?
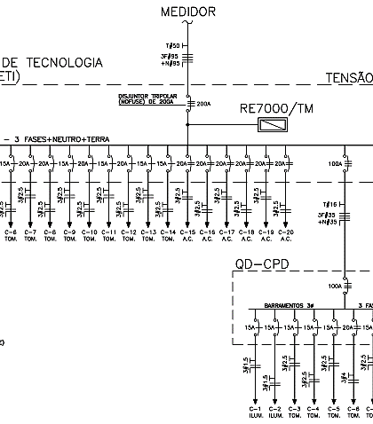
Basta entrar em contato conosco e solicitar a nossa visita, nós faremos todo esse estudo e o levantamento do diagrama unifilar de acordo a instalação existente e ainda identificaremos tudo que for necessário. Fazemos também o levantamento das cargas para obter a potência total instalada da indústria.